Texas Instruments UCC15241-Q1 Isoliertes Automotive-DC/DC-Modul
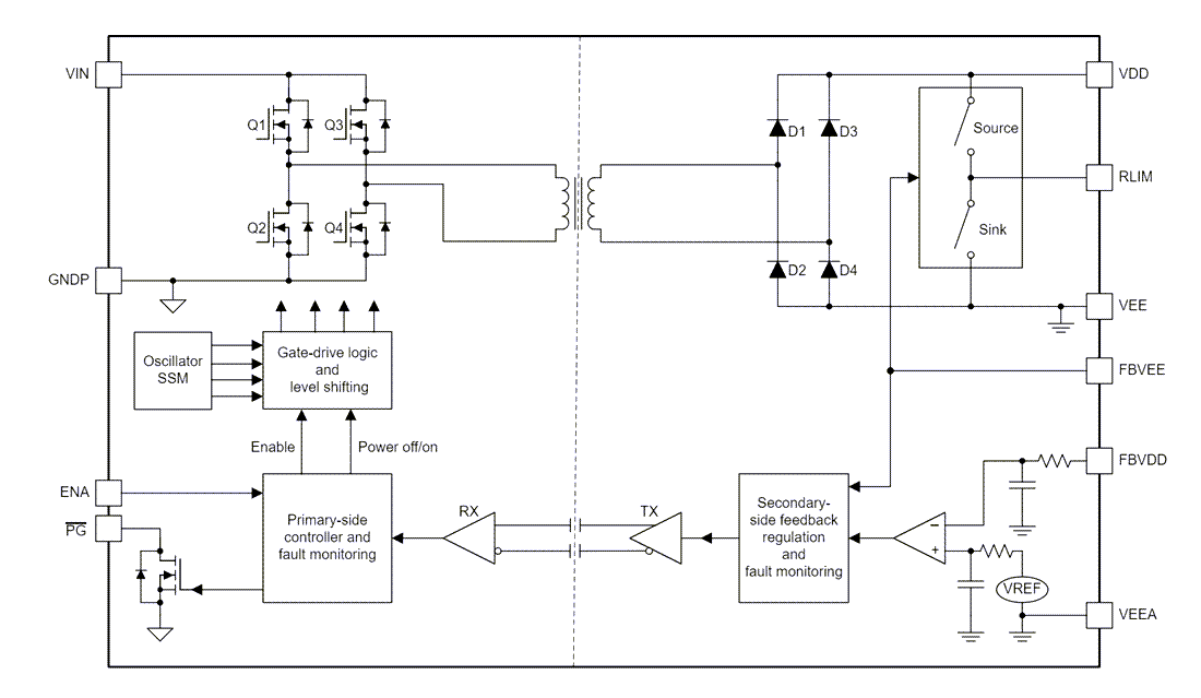
Das Texas Instruments UCC15241-Q1 isolierte Automotive-DC/DC-Modul bietet eine hohe Isolierung und ist für die Stromversorgung von IGBT- oder SiC-Gate-Treibern ausgelegt. Das UCC15241-Q1 kombiniert einen Transformator und einen DC/DC-Regler mit einer proprietären Architektur, um einen hohen Wirkungsgrad bei sehr geringen Emissionen zu ermöglichen. Die hochpräzisen Ausgangsspannungen bieten eine bessere Kanalanreicherung für einen höheren Systemwirkungsgrad, ohne das Gate des Leistungsgeräts übermäßig zu belasten.Das UCC15241-Q1 von TI bietet eine isolierte Ausgangsleistung von bis zu 2,5 W (typisch) bei hohem Wirkungsgrad, benötigt nur eine geringe Anzahl an externen Komponenten und verfügt über einen On-Chip-Bauteilschutz mit zusätzlichen Funktionen. Diese Funktionen für das UCC15241-Q1 Bauteil umfassen eine Eingangsunterspannungssperre, Ausgangsspannungs-Power-Good-Komparatoren, eine Überspannungssperre, eine Übertemperaturabschaltung, ein Soft-Start-Timing, eine einstellbare isolierte positive und negative Ausgangsspannung, einen Open-Drain-Ausgangs-Power-Good-Pin und einen Freigabe-Pin.
Merkmale
- Vollständig integriertes isoliertes DC/DC-Modul mit hoher Dichte und Trenntransformator
- Isolierter DC/DC für die Ansteuerung von IGBTs, SiC- und Si-MOSFETs
- Eingangsspannungsbereich von 21 V bis 27 V mit 32 V absolutem Maximum
- Ausgangsleistung von 2,5 W bei TA ≤ 85 °C und Ausgangsleistung von 2,0 W bei TA ≤ 105 °C
- Einstellbare Einzel- oder Doppelausgangsspannungen (über Widerstände) mit <±1,3% Regelungsgenauigkeit über den gesamten Betriebsbereich
- Geringe elektromagnetische Emission durch Spreizspektrummodulation und integriertes Transformatorendesign
- Enable, Power Good, UVLO, OVLO, Soft-Start, Leistungsbegrenzung, Unterspannungs-, Überspannungs-, Kurzschluss- und Übertemperaturschutz
- CMTI > 50 kV/µs
- AEC-Q100-qualifiziert für Fahrzeuganwendungen
- Temperaturgrad 1 von -40 °C ≤ TJ ≤ 150 °C
- Temperaturgrad 1 von -40 °C ≤TA ≤ 125 °C
- Dokumentation über die Funktionssicherheitsfähigkeit zur Unterstützung des Designs funktionaler Sicherheitssysteme
- Geplante sicherheitsbezogene Zulassungen
- Verstärkte Isolierung von 7.071 VPK gemäß DIN EN IEC 60747-17 (VDE 0884-17)
- Isolierung von 5.000 VRMS für 1 Minute gemäß UL1577
- 36-Pin-Wide-SSOP-Gehäuse
Applikationen
- Hybrid-, Elektro- und Antriebsstrangsysteme (EV/HEV)
- Wechselrichter und Motorsteuerung
- On-Board(OBC)- und kabelloses Ladegerät
- DC/DC-Wandler
- Industrie-Transportsysteme
- Elektroantrieb für Geländewagen
- Netzinfrastruktur
- EV-Leistungsmodul für Ladestationen
- DC-Ladestation (Stapel)
- String-Wechselrichter
- Motorantriebe
- AC-Wechselrichter und VF-Antriebe, Roboter-Servoantrieb
Bauteilvergleichstabelle
Vereinfachte Applikation
Typische Einschaltsequenz
Funktionales Blockdiagramm
Veröffentlichungsdatum: 2024-03-11
| Aktualisiert: 2025-03-06
