Vishay / Dale 1KW-DCDC-48V12V Wandler-Referenzdesign
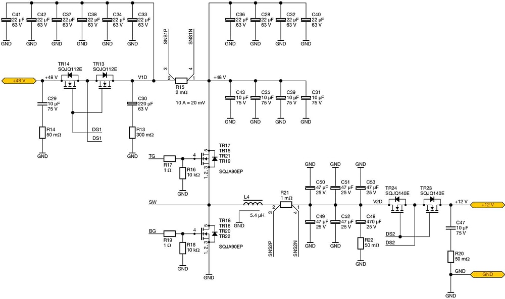
Der 1KW-DCDC-48V12V Abwärts-/Aufwärtswandler von Vishay/Dale verfügt über zwei Modul-Leistungsstufen, die jeweils für 500 W ausgelegt sind, wobei ein Wandler-Referenzdesign verfügbar ist. Die symmetrische Verschachtelung der beiden Phasen senkt die Stromwelligkeit, wobei jede Phase über Schutz-MOSFETs verfügt, die die Phase im Falle eines Ausfalls isolieren und den Einschaltstrom begrenzen können. Dieser 1 kW, 48 V/12 V Abwärts-/Aufwärtswandler kann automatisch zwischen Abwärts- und Aufwärtsbetrieb umschalten, wobei seine Schaltfrequenz des 160 kHz zu einem kompakten Formfaktor führt. Mit der zunehmenden Verbreitung von Dual-Board-Network-Systemen (Fahrzeuge mit einem 12-V- und einem 48-V-Bus) sind bidirektionale 48-V-zu-12-V-DC/DC-Wandler mit hoher Leistung zu wichtigen Bausteinen in der heutigen Automobilarchitektur geworden. Energie muss zwischen den 12-V- und 48-V-Batterien hin und her übertragen werden, um die Gesamteffizienz des Fahrzeugs zu maximieren. Dies kann mit diesem 1KW-DCDC-48V12V-Wandler von Vishay / Dale erreicht werden.Merkmale
- Bidirektionaler 48 V zu 12 V Wandler
- 2-phase Verschachtelter Betrieb
- Automatische Abwärts- und Aufwärts-Auswahl
- Spannungs- und Stromregelung
- Einschaltstromsteuerung
- Überspannungs- und Überstromschutz
Applikationen
- Automobil-Applikationen
- Netzwerk-, Telekommunikations- und Basisstation-Netzteile
- Industrie- und Server-Computing
- Testumgebungen für Elektrofahrzeuge (EV)
Weitere Ressourcen
Videos
Prinzip – Diagramm
Pin-Konfiguration
Veröffentlichungsdatum: 2024-03-04
| Aktualisiert: 2024-09-24
